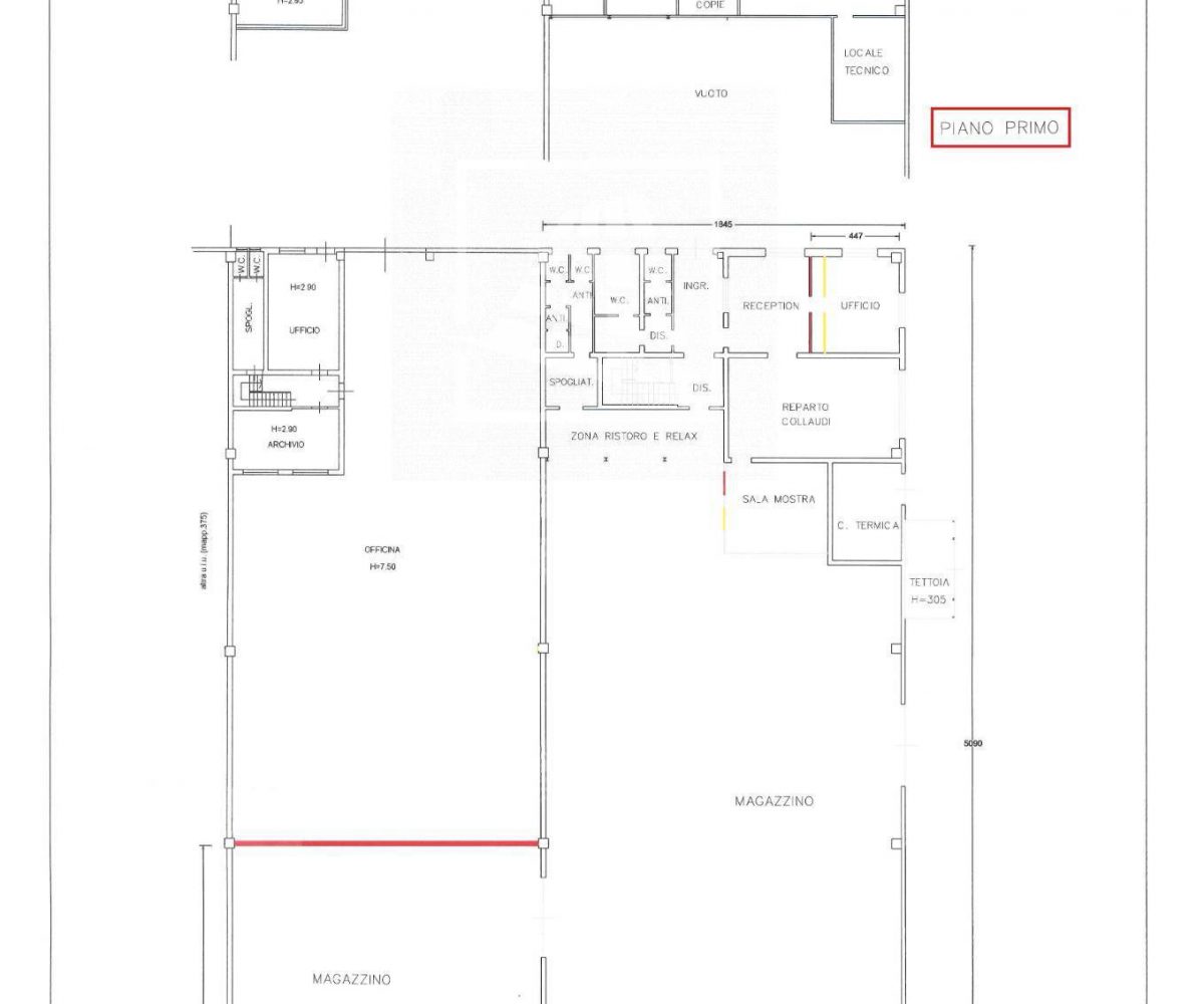
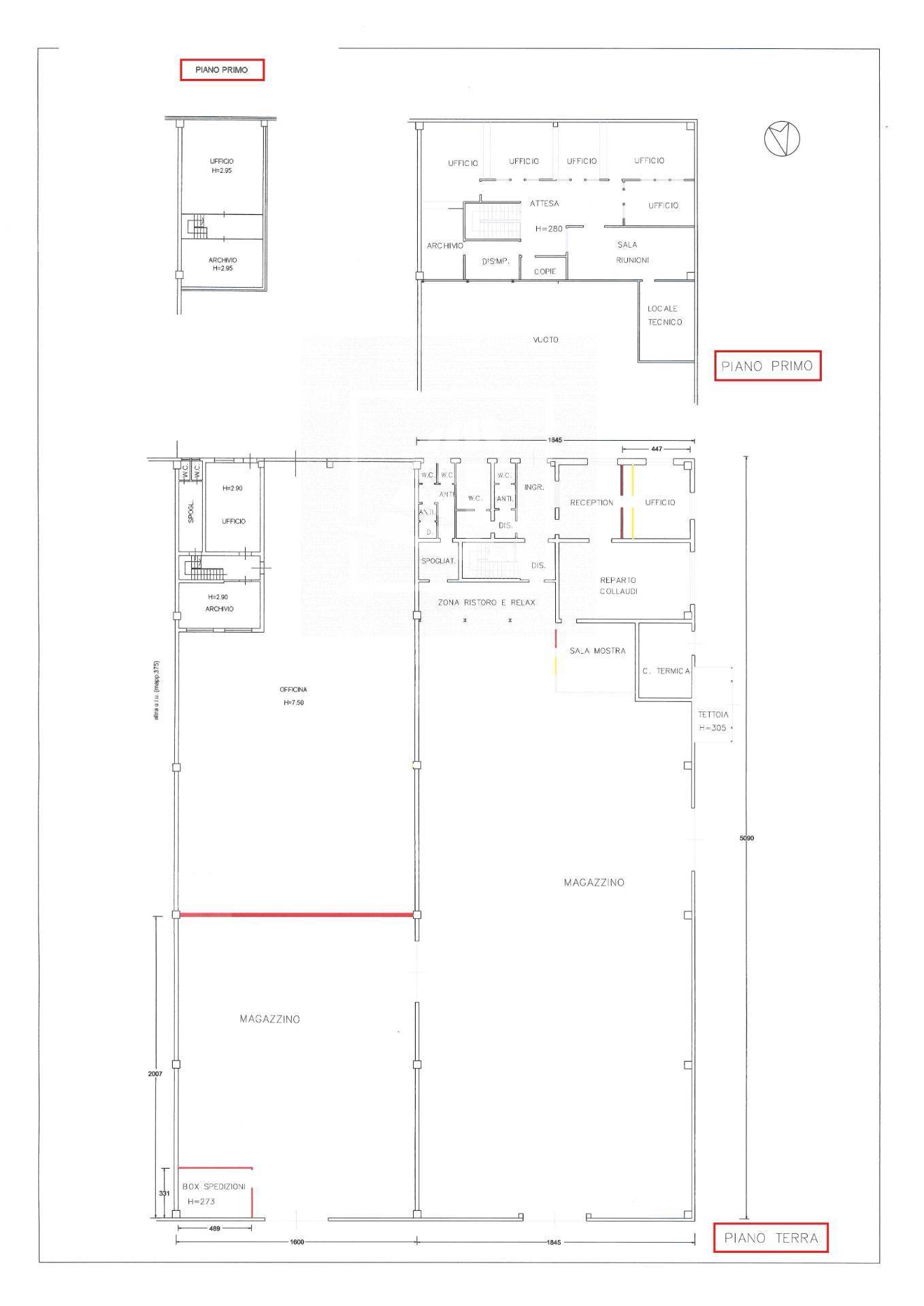
Bagnolo in Piano – Capannone (Rif. JA4961) Capannone di testa di recente ristrutturazione su di una superficie fondiaria di mq 3.812 composto da:
– zona magazzino mq 1.468 per altezza m 6,50 munito di quattro portoni carrai, con riscaldamento, corpi illuminanti, impianto aria compressa, prese 220 e 380
– zona uffici, servizi, centrale termica, archivi e vani tecnici mq 285 piano terra e mq 285 piano primo con riscaldamento e raffrescamento, controsoffitti con corpi illuminanti e rete dati.
– area cortiliva su tre lati di mq 2.059 circa in gran parte pavimentata, con parcheggi, completamente recintata e con cancello carraio.
L’immobile è in ottimo stato di manutenzione completo di impiantistica.
Grazie alla sua posizione strategica e alle numerose caratteristiche funzionali, questo capannone rappresenta un’ottima opportunità per chi cerca uno spazio industriale di qualità .
- Logistica m²2.038
- Classe EnergeticaE
- IPE250.75 kwh/㎡
- Riferimento immobileJA4961
1 settimana fa
Richiedi maggiori informazioni
Agenzia
Altri annunci nella zona
-
NovitÃ
Appartamento In Vendita
Bagnolo In Piano
€63.000
- Camere da letto2
- Bagni2
- m²86
- Classe EnergeticaNon specificato
6 giorni faAgenzia
-
Studio/ufficio In Affitto
Bagnolo In Piano
€8.000
- m²1.060
- Classe EnergeticaNon specificato
1 settimana faAgenzia
-
Studio/ufficio In Affitto
Bagnolo In Piano
€4.000
- m²530
- Classe EnergeticaNon specificato
1 settimana faAgenzia


